Підключення котушки (кабель)

Теоретичні основи металодетекції
Відповісти
Аватар користувача
radioman
Site Admin
Повідомлень: 136
З нами з: 28 вересня 2020, 12:01
Звідки: Тернопіль
Дякував (ла): 8 разів
Подякували: 6 разів
Контактна інформація:

Підключення котушки (кабель)

Повідомлення radioman »

Багато запитань виникає при підключенні пошукової котушки до блоку. Хоча, все достатньо просто: схема підключення залежить від способу живлення схеми. Для найбільш поширених варіантів, буде лише два способи:
1. При двохполярному живленні достатньо двох екранованих кабелів - по одному передається сигнал на Тх, по іншому - приймається з Rх; екран Фарадея підключений до "земляного" екрану. Така схема використана у аналогових IB металошокучах "почившої" фірми Tesoro - Cibola, Tejon, Lobo:
Підключення котушки Cibola / Tejon
Підключення котушки Cibola / Tejon
і сама схема котушки:
Схема котушки Cibola / Tejon
Схема котушки Cibola / Tejon
2. При однополярному живленні з віртуальним нулем (середньою точкою) схема підключення відрізняється - необхідний додатковий провідник для підключення екрану Фарадея до "землі". Таку схему використовує фірма Фішер у своїх аналогових:
Підключення котушки Fisher 1265
Підключення котушки Fisher 1265
та цифрових апаратах:
Підключення котушки Fisher F75
Підключення котушки Fisher F75
PS. Результуюча схема кабелів:
Варіанти підключення
Варіанти підключення
pawa
Повідомлень: 75
З нами з: 28 вересня 2020, 20:26
Дякував (ла): 1 раз
Подякували: 5 разів
Контактна інформація:

Re: Підключення котушки (кабель)

Повідомлення pawa »

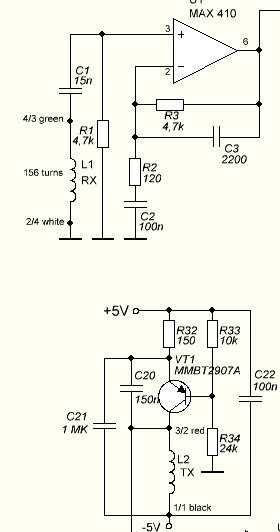
Ще є різновиди ціх підключень, на мій погляд дуже вигідний, коли підсилювач розташований у котушці. Тоді вплив кабелю та завад мінімальні.
Аватар користувача
radioman
Site Admin
Повідомлень: 136
З нами з: 28 вересня 2020, 12:01
Звідки: Тернопіль
Дякував (ла): 8 разів
Подякували: 6 разів
Контактна інформація:

Re: Підключення котушки (кабель)

Повідомлення radioman »

Звичайно. Вихідний (Tx) та вхідний (Rx) каскади можна розмістити у котушці; я навів найбільш поширені варіанти. Можна використати диференціальне підключення (не плутати з диференціальною котушкою).
Відповісти

Хто зараз онлайн

Зараз переглядають цей форум: Немає зареєстрованих користувачів і 0 гостей