Fisher F75

Практичні конструкції металодетекторів, що побудовані за принципом індуктивного балансу (IB).
Відповісти
Аватар користувача
radioman
Site Admin
Повідомлень: 136
З нами з: 28 вересня 2020, 12:01
Звідки: Тернопіль
Дякував (ла): 8 разів
Подякували: 6 разів
Контактна інформація:

Fisher F75

Повідомлення radioman »

IB металошукач Fisher F75

Принцип роботи: VLF Induction Balance (індукційний баланс), цифровий - непряме опрацювання.
Режими пошуку: дискримінація, всі метали (динамічний All Metal, статичний All Metal - пошук на максимальній глибині), цілевказування (пінпойнт).
Дискримінація: з подвійною фільтрацією для пошуку в засміченому грунті.
Ідентифікатор типу цілі: на дисплей виводиться VDI-число об'єкта від 0 до 99, діапазон розбитий на 8 груп; додатково відображається індикатор достовірності вимірювання.
Можливість вибору оптимального стилю пошуку (стандартний, ювелірні вироби, фільтрація пробок, розорані поля).
Кількість тонів: від 1 до 4 або наростаючий.
Баланс грунту: автоматичний FASTGRAB ™ і ручний;
Діапазон робочої вологості: 0-90% без конденсації
Діапазон робочих температур: від -20 до +50 ° C

В комплекті еліптична DD-катушка BiAxial 11 (дані з відкритих джерел):

Для 8" Mono
1-2 (Rx) - 12,57 kHz (22H) 43,0 Ом - 7286,97076384813 мкГн - 7,28697076384813 мГн
3-4 (Tx) - 13,35 kHz (220H) 2,8 Ом - 646,03351812748 мкГн - 0,64603351812748 мГн

Для 11" DD
1-2 (Rx) - 12,40 kHz (22H) 39,4 Ом - 7488,14442536906 мкГн - 7,48814442536906 мГн
3-4 (Tx) - 13,10 kHz (220H) 3,0 Ом - 670,926570039477 мкГн - 0,670926570039478 мГн; 17В( р-р), 150мА
2-3 резистор 23 Mom

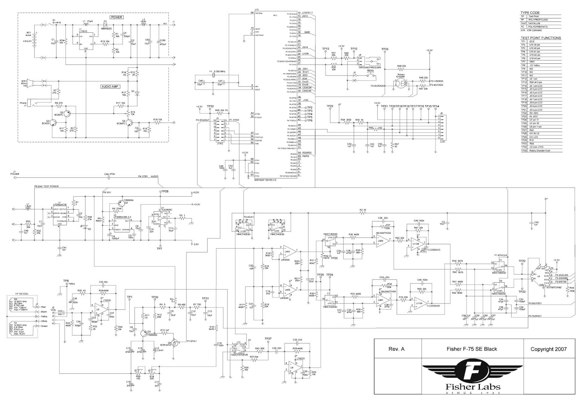
Схема металошукача Fisher F75:
F75m.jpg
NB! В схемі виявлено помилки !!!
PS. В доданому архіві друкована плата металошукача Fisher F75 у форматі Sprint Layout 5.
Вкладення
F-75.7z
(75.3 Кіб) Завантажено 1059 разів
Аватар користувача
radioman
Site Admin
Повідомлень: 136
З нами з: 28 вересня 2020, 12:01
Звідки: Тернопіль
Дякував (ла): 8 разів
Подякували: 6 разів
Контактна інформація:

Re: Fisher F75

Повідомлення radioman »

Змоделював у LTspice XVII роботу передаючої частини IB металошукача Fisher F75. Амплітудно-частотна і фазово-частотна характеристики відповідають схемі:
АЧХ і ФЧХ Тх металошукача Fisher F75
АЧХ і ФЧХ Тх металошукача Fisher F75
На схемі амплітуда на 11 дюймовій DD-котушцікатушці позначена 18.4 В p-p, а у моделі отримано 14.5 В p-p; сила струму - 130 мА (260 мА p-p):
Сила струму у Тх металошукача Fisher F75
Сила струму у Тх металошукача Fisher F75
PS. У приєднаному архіві моделі в LTspice XVII частотних та фазових арактеристик; сили струму у Тх.
Tx_F75_LTspice XVII.7z
Моделі Тх металошукача Fisher F75
(1.37 Кіб) Завантажено 1062 разів
Аватар користувача
radioman
Site Admin
Повідомлень: 136
З нами з: 28 вересня 2020, 12:01
Звідки: Тернопіль
Дякував (ла): 8 разів
Подякували: 6 разів
Контактна інформація:

Re: Fisher F75

Повідомлення radioman »

"Не вір написаному" (с)
Для іншого проекту вирішив використати схему підсилювача низьких частот металошукача Fisher F75, і знайшов в ній помилки :(
Резистор R3 підключений до "мінуса", а повинен - до "плюса"; вихідний транзистор повинен бути BCX55 (?), а не BCX53 (pnp), також замість діода Q1 (навіть позначення говорить про це) повинен бути транзистор в діодному включенні. Ось правильний варіант , взятий зі схеми металошукача Fisher F75 SE Black:
"Підлокотник" Fisher F75 SE Black
"Підлокотник" Fisher F75 SE Black
PS. В доданому архіві модель підсилювача низьких частот металошукача Fisher F75 в NI Multisim 14.0
F75_SE_Black_ПНЧ.7z
(141.34 Кіб) Завантажено 1015 разів
Відповісти

Хто зараз онлайн

Зараз переглядають цей форум: Немає зареєстрованих користувачів і 0 гостей