Електроніка ЕП–017
Електропрогравач "Електроніка ЕП-017-стерео" (Электроника ЭП-017-стерео) з початку 1985 року випускало Казанське НВО "Елекон" (перші випуски "Електроніка-017-стерео"). Програвач платівок призначений для високоякісного відтворення механічного запису з грамплатівок будь-яких форматів. Управління тонармом - електронне.
Характеристики:
Швидкість обертання диску - 33,33 і 45,11 об / хв.
Діапазон відтворюваних частот - визначається звукознімачем
Коефіцієнт детонації - 0,1% / 0,05%
Рівень гулу (рокоту) - 66 дБ / 76 дБ
Ефективна довжина тонарма - 214,2 мм
База тонарма - 195 мм.
Притискна сила звукознімача - 7,5 ... 12,5 мН
Розміри - 400х340x120 мм
Маса - 10 кг / 8,5 кг
Розмір кришки - 390х320х55 мм, товщина 3,5 мм.
Живлення від мережі змінного струму 220 В.
Випускалось декілька варіантів, котрі відрізнялися схемотехнічно:
1. Електроніка ЕП-017 стерео (з 1985р., Электроника ЭП-017-стерео) - є пітч-контроль (ручне регулювання швидкості на верхній панелі) і трохи інша конфігурація плат всередині. Шторка автостопа без щілини. Фонокорректора немає.
Головка ГЗМ-043.
2. Електроніка ЕП-017С (з 1990р., Электроника ЭП-017С) - без регулювання швидкості (пітч-контролю). Шторка автостопа з щілиною, на фоторезисторі теж шторка з щілиною. Фонокорректора немає. Тороїдальний трансформатор.
Головка ГЗМ-053, ГЗМ-050 і ГЗМ-155, ГЗМ-128 Корвет (пізня версія).
3. Електроніка ЕП-017С-1 (з 1991р., Электроника ЭП-017С-1) -з вбудованим фонокоректором, без регулювання швидкості. Тороїдальний трансформатор.
Головка ГЗМ-128 Корвет.
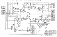
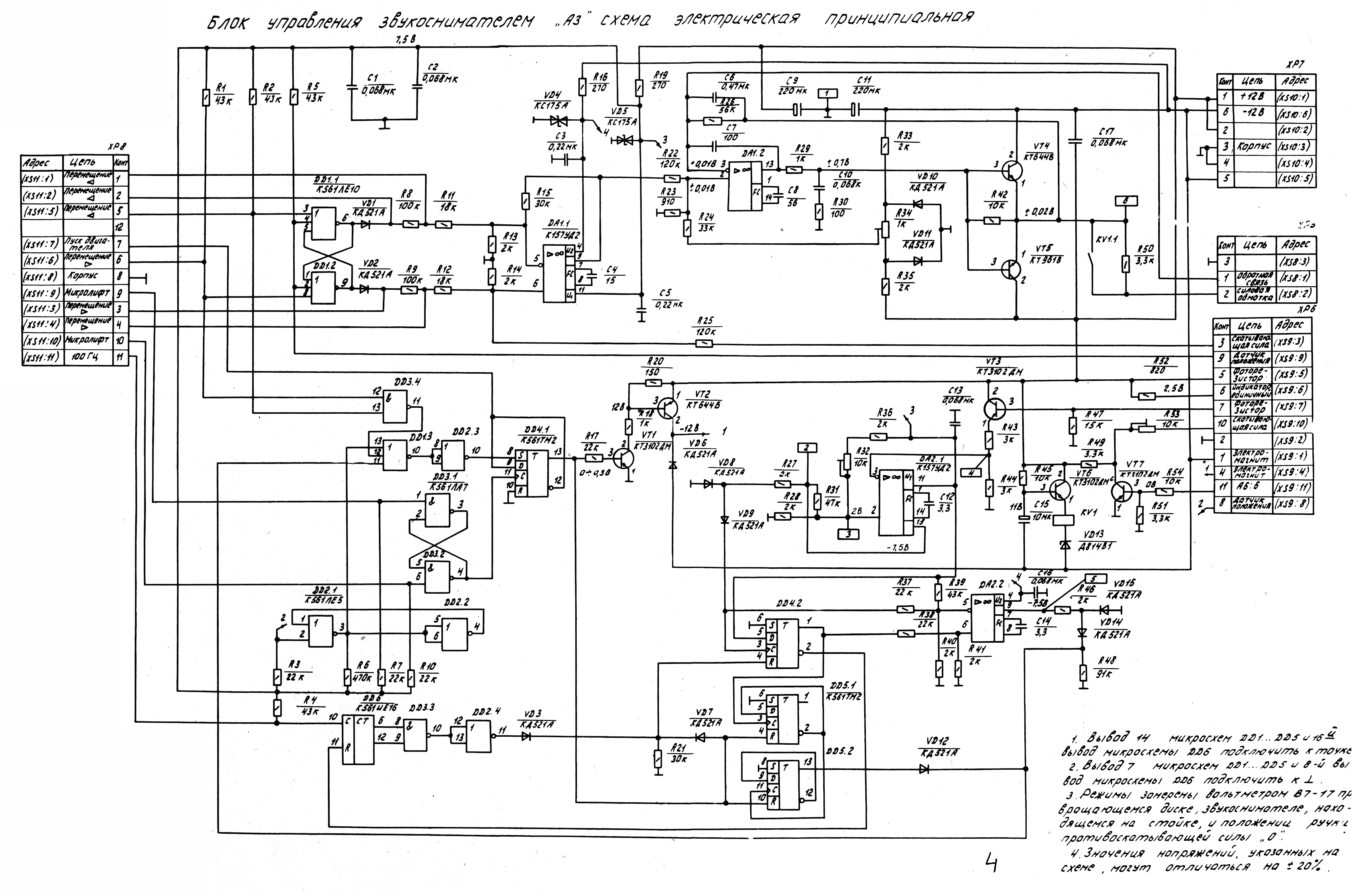
PS. В приєднаному архіві інструкції, загальна схема, сервіс-мануал по ремонту Електроніки ЕП-017, протрактор.
Електроніка ЕП-017 (Электроника ЭП-017)
- radioman
- Site Admin
- Повідомлень: 136
- З нами з: 28 вересня 2020, 12:01
- Звідки: Тернопіль
- Дякував (ла): 8 разів
- Подякували: 6 разів
- Контактна інформація:
Re: Електроніка ЕП-017 (Электроника ЭП-017)
При відновленні програвача вінілових платівок, постає питання заміни магнітного звукознімача (ГЗМ). В Електроніка ЕП-017 (Электроника ЭП-017) штатно встановлювались ГЗМ-043, ГЗМ-053, ГЗМ-050, ГЗМ-155 та ГЗМ-128 "Корвет". Для їх заміни необхідно підібрати подібні за масою, прижимною силою, податливістю кантиливера.
ГЗМ-053: ГЗМ-050, ГЗМ-0155: Дані магнітні головки мають однакові деякі параметри:
чутливість 0,7-2,0
ємність навантаження 400 пФ
прижимна сила 0,8-1,2 гр.
Але відрізняються за масою:
ГЗМ-053 - 2,5 гр. (штатно з нею втановлювалось додаткове грузило)
ГЗМ-050, ГЗМ-155 - 5гр.
відповідно, потрібно підбирати нову головку магнітного звукознімача з масою 5-6 гр., та з малою прижимною силою.
ГЗМ-053: ГЗМ-050, ГЗМ-0155: Дані магнітні головки мають однакові деякі параметри:
чутливість 0,7-2,0
ємність навантаження 400 пФ
прижимна сила 0,8-1,2 гр.
Але відрізняються за масою:
ГЗМ-053 - 2,5 гр. (штатно з нею втановлювалось додаткове грузило)
ГЗМ-050, ГЗМ-155 - 5гр.
відповідно, потрібно підбирати нову головку магнітного звукознімача з масою 5-6 гр., та з малою прижимною силою.
- radioman
- Site Admin
- Повідомлень: 136
- З нами з: 28 вересня 2020, 12:01
- Звідки: Тернопіль
- Дякував (ла): 8 разів
- Подякували: 6 разів
- Контактна інформація:
Re: Електроніка ЕП-017 (Электроника ЭП-017)
Хоча "паспортні дані" на ГЗМ-128 "Корвет" у мене були давно, але "первинне джерело" було відсутнє. Досить часто в мережі інформація викладена з помилками, тому я не хотів публікувати її без "фактчекінгу". І ось у мене появились фото поспорта на неї:
Характеристики ГЗМ-128 "Корвет":
рухомий магніт (MM)
динамічне демпферування
берилієвий голкотримач з багатоградусною алмазною голкою з кристалографічною орієнтацією (F.Gyger LTD, Швейцарія)
багатошаровий сердечник
висота 20 +-0.5 мм
діапазон частот на рівні -5 дБ становить 10 - 25000 Гц
нерівномірність частотної характеристики +- 2 дБ
коефіцієнт завадозахищеності 76 дБ
ресурс голки 2800 годин
притискна сила 10 мН
чутливість на частоті 1000 Гц 1,2 +- 0,2 мВ*см-1*с
розділення каналів на частоті 1000 Гц 28 Дб
розділення каналів на частоті 10000 Гц 18 Дб
розбаланс каналів на частоті 1000 Гц не більше 1 Дб
горизонтальна динамічна гнучкість рухомої частини не менше 20 мм*Н-1
індуктивність 360 +-60 мГн
опір 1000 +-200 Ом
номінальний опір навантаження 47 кОм
номінальна ємність навантаження 150 пФ
NB! На відміну від інших, у ГЗМ-128 "Корвет" є 5 виводів; для забезпечення якісної завадозахищеності, центральний (верхній) контакт необхідно з'єднати зі зворотним (синім) дротом лівого каналу:
Характеристики ГЗМ-128 "Корвет":
рухомий магніт (MM)
динамічне демпферування
берилієвий голкотримач з багатоградусною алмазною голкою з кристалографічною орієнтацією (F.Gyger LTD, Швейцарія)
багатошаровий сердечник
висота 20 +-0.5 мм
діапазон частот на рівні -5 дБ становить 10 - 25000 Гц
нерівномірність частотної характеристики +- 2 дБ
коефіцієнт завадозахищеності 76 дБ
ресурс голки 2800 годин
притискна сила 10 мН
чутливість на частоті 1000 Гц 1,2 +- 0,2 мВ*см-1*с
розділення каналів на частоті 1000 Гц 28 Дб
розділення каналів на частоті 10000 Гц 18 Дб
розбаланс каналів на частоті 1000 Гц не більше 1 Дб
горизонтальна динамічна гнучкість рухомої частини не менше 20 мм*Н-1
індуктивність 360 +-60 мГн
опір 1000 +-200 Ом
номінальний опір навантаження 47 кОм
номінальна ємність навантаження 150 пФ
NB! На відміну від інших, у ГЗМ-128 "Корвет" є 5 виводів; для забезпечення якісної завадозахищеності, центральний (верхній) контакт необхідно з'єднати зі зворотним (синім) дротом лівого каналу:
- radioman
- Site Admin
- Повідомлень: 136
- З нами з: 28 вересня 2020, 12:01
- Звідки: Тернопіль
- Дякував (ла): 8 разів
- Подякували: 6 разів
- Контактна інформація:
Re: Електроніка ЕП-017 (Электроника ЭП-017)
У мене була Електроніка ЕП-017С в досить непоганому стані з головкою Корвет "ГЗМ-128" . Але кришка була тріснута (чомусь саме в цих моделях дуже неякісна пилозахисна кришка). І ось перед самою активною фазою війни мені "підвенувся" такий самий апарат з пошкодженим тонармом, але із цілою кришкою за адекватну ціну. Коли я його отримав, то виявив, що він "весь під пломбами", але із значним люфтом поворотного стола.
Після чого вирішив "обслужити" підшипник ковзання. Згідно інструкції змащування необхідно проводити не рідше одного разу на рік мастилом ЦИАТИМ-221. Для цого я перевернув програвач (попередньо поклавши між пилозахисною кришкою та валом диска кусочок пінопласту; також необхідно зафіксувати тонарм і захистити голку ГЗМ !!!) , зняв пластмасову заглушку знизу по центру корпуса: під нею знаходиться прикручена 3-ма болтиками опора валу диска Для того щоб її зняти відкручуємо ці болтики. Але, так як програвач досить старий, вони "прикипіли". Щоб не зірвати шліци, їх необхідно нагріти паяльником, дати вистигнути і лише потім відкручувати (при нагріванні метал розшириться, потім при охолодженні розміри відновляться, але відкрутити буде значно легше). В центрі опори фторопластова вставка для зменшення тертя, практично, без виробітки. Напевно, програвач платівок не використовувався, через вказаний мною на початку посту заводський брак.
Знімаємо розрізну шайбу, яка фіксує вал в шахті і акуратно перевертаємо програвач. Далі відкриваємо пилозахисну кришку, виймаємо поворотний диск з валом. Миємо втулки і вал чистим спиртом, змазуємо (ні в якому разі не використовуємо мастила на основі силікону - вони не застосовуються для пари тертя метал-метал !!!).
Збираємо програвач, не забувши захистити кришку. Якщо не підкласти кусочок пінопласту - при перевертанні диск з валом може її розбити.
Включив програвач - мітки "стоять як вкопані": Звичайно, це не відео, але чітко видно що риски не розмиті.
Для відновлення тонарму потрібно багато часу, а я розумів, що у мене його нема - ось-ось розпочнеться великомасштабна війна. Прийняв рішеня переставити тонарм із своєї Електроніки ЕП-017С. Донор став реципієнтом, а я отримав практочно новий програвач платівок.
PS. І тут у мене виник когнітивний десонанс: інструкція рекомендує використовувати мастило ЦИАТИМ 221, але воно на основі силікону!? Варто підібрати сучасне, більш якісне мастило.
Цікавість взяла своє. Зняв пластмасову вставку для платівок з центровим отвором діаметром 38,2 мм., пломбу на пластиковому захисному ковпачку
відкрутив болтик (1), зняв захисний ковпачок (2) і виявив не дотягнуту гайку - заводський брак. Коли її дотягнув, люфт, практично, зник (невеликий завжди буде, так як у шахті диска встановлено підшипник ковзання).Після чого вирішив "обслужити" підшипник ковзання. Згідно інструкції змащування необхідно проводити не рідше одного разу на рік мастилом ЦИАТИМ-221. Для цого я перевернув програвач (попередньо поклавши між пилозахисною кришкою та валом диска кусочок пінопласту; також необхідно зафіксувати тонарм і захистити голку ГЗМ !!!) , зняв пластмасову заглушку знизу по центру корпуса: під нею знаходиться прикручена 3-ма болтиками опора валу диска Для того щоб її зняти відкручуємо ці болтики. Але, так як програвач досить старий, вони "прикипіли". Щоб не зірвати шліци, їх необхідно нагріти паяльником, дати вистигнути і лише потім відкручувати (при нагріванні метал розшириться, потім при охолодженні розміри відновляться, але відкрутити буде значно легше). В центрі опори фторопластова вставка для зменшення тертя, практично, без виробітки. Напевно, програвач платівок не використовувався, через вказаний мною на початку посту заводський брак.
Знімаємо розрізну шайбу, яка фіксує вал в шахті і акуратно перевертаємо програвач. Далі відкриваємо пилозахисну кришку, виймаємо поворотний диск з валом. Миємо втулки і вал чистим спиртом, змазуємо (ні в якому разі не використовуємо мастила на основі силікону - вони не застосовуються для пари тертя метал-метал !!!).
Збираємо програвач, не забувши захистити кришку. Якщо не підкласти кусочок пінопласту - при перевертанні диск з валом може її розбити.
Включив програвач - мітки "стоять як вкопані": Звичайно, це не відео, але чітко видно що риски не розмиті.
Для відновлення тонарму потрібно багато часу, а я розумів, що у мене його нема - ось-ось розпочнеться великомасштабна війна. Прийняв рішеня переставити тонарм із своєї Електроніки ЕП-017С. Донор став реципієнтом, а я отримав практочно новий програвач платівок.

PS. І тут у мене виник когнітивний десонанс: інструкція рекомендує використовувати мастило ЦИАТИМ 221, але воно на основі силікону!? Варто підібрати сучасне, більш якісне мастило.
Хто зараз онлайн
Зараз переглядають цей форум: Немає зареєстрованих користувачів і 0 гостей