IB металошукач Fisher CZ-5
Тип схеми металодетектора: VLF+
Два режими роботи: грунтовий (NORMAL) та при підвищеній мінералізації (SALT)
Патентована технологія обробки сигналу Fourier Domain для роботи в солоній воді.
Робоча частота 5 та 15 кГц
Дуплекс; генератор працює на частоті 5 кГц та 3-й гармоніці - 15 кГц
Дискримінатор: тональна ідентифікація (3 тони)
Налаштування чутливості
Ручне балансування грунту
Пінпойнт
Коаксильна котушка 10,5". Орієнтовні дані котушки:
- передаюча=0.95мГ, опір = 3.3 Ом
- приймаюча=6.95мГ, опір = 32 Ом.
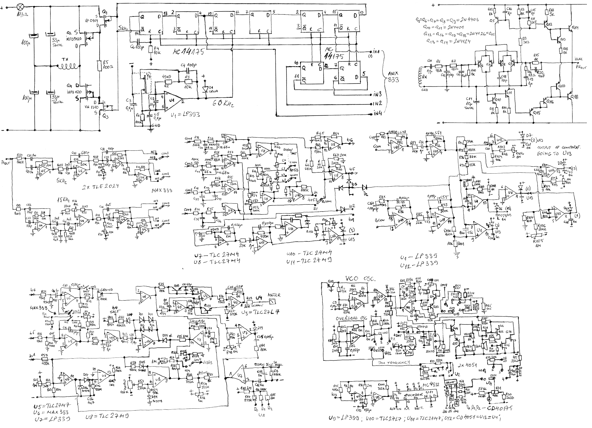
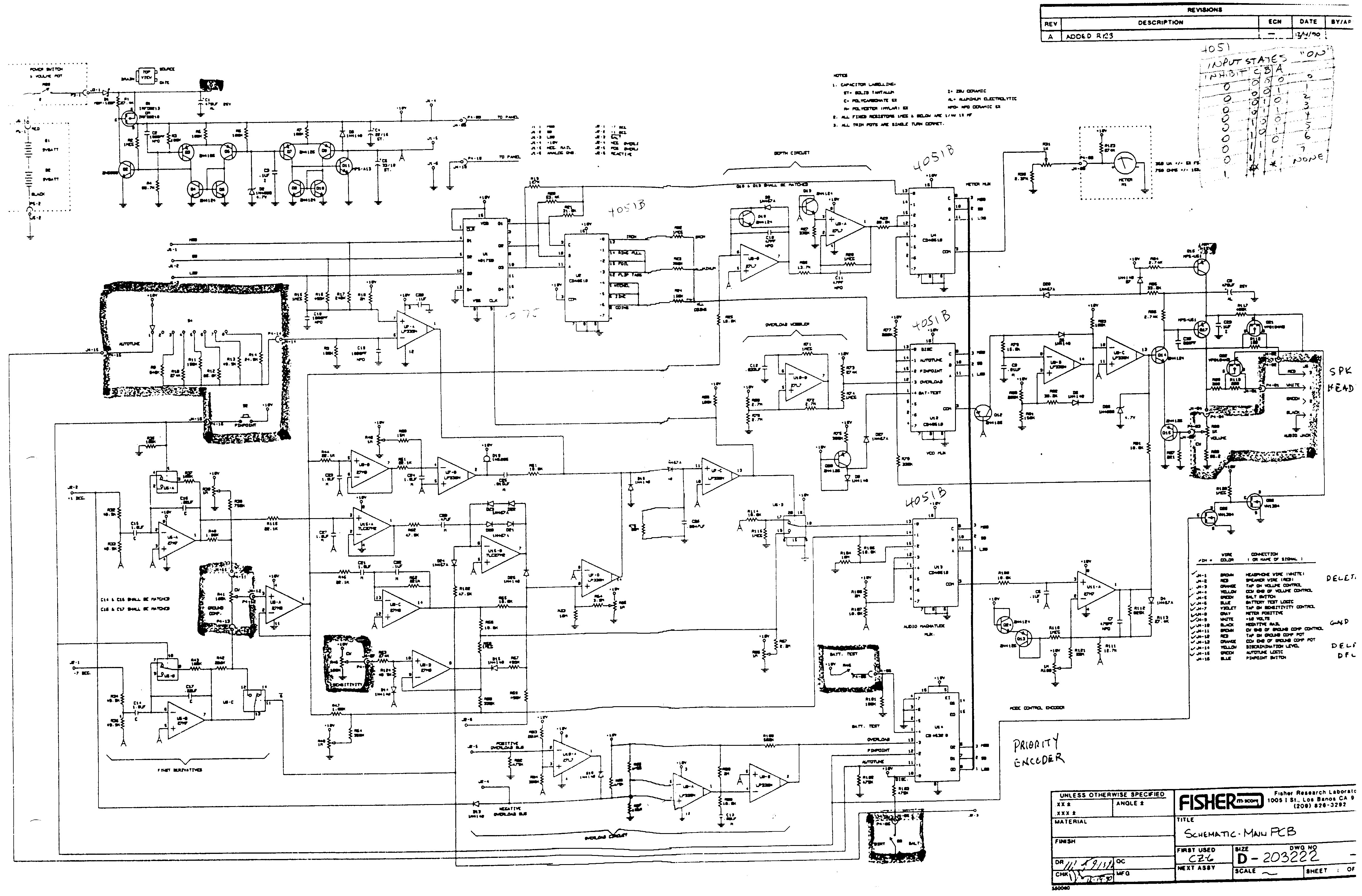
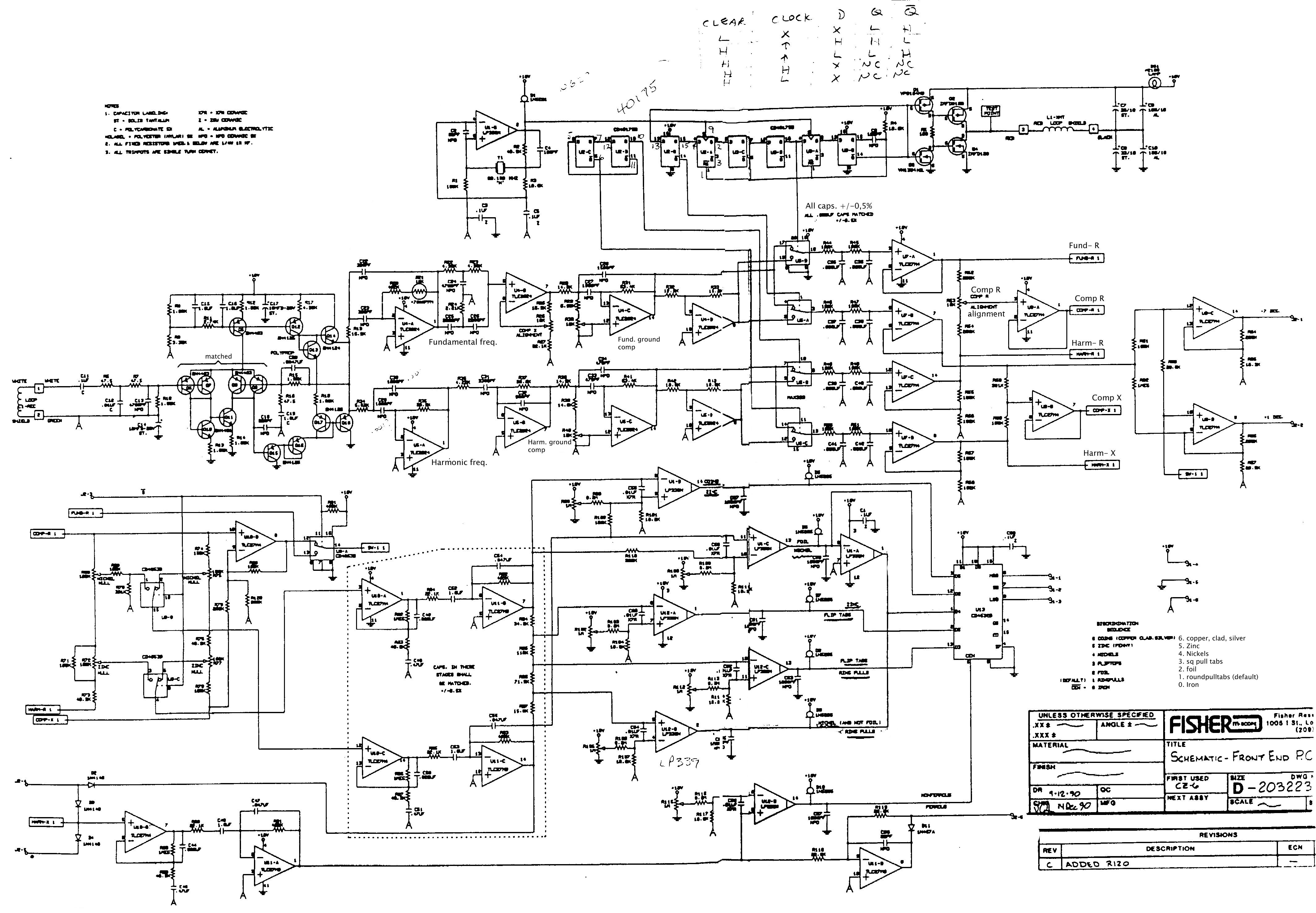
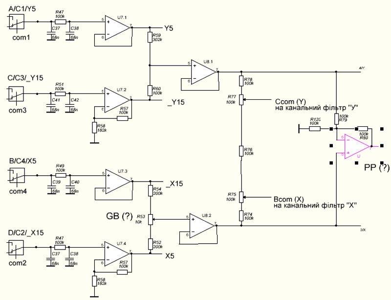
Схема металошукача Fisher CZ-5:
NB! В схемі неправильно позначені канали 5 і 15 кГц; також можуть бути інші помилки !
Передаюча частина металошукача Fisher CZ-5, зроблена на цифрових мікросхемах, генерує меандр з частотою 5 кГц котрий за допомогою двотактного напівмоста передається на передаючу котушку; у зв'язку із "збудженням" меандром, відсутністю резонансу та наявності двотактного вихідного каскаду у ній виникають коливання з частотою 5 кГц та вираженою 3-ю гармонікою - 15 кГц. Також тут формуються імпульси для управління ключами синхронних детекторів.
*Задаючий генератор працює на частоті 60 кГц; шляхом поділу цієї частоти на 4 отримується 15 кГц з наступним поділом котрої на 3 для отримання 5 кГц.
Вхідний каскад зроблений на "розсипусі"; після попереднього підсилення, прийнятий сигнал розділяється двома фільтрами:
В одному каналі виділяється перша гармоніка з частотою 5кГц і подавляється режекторним фільтром 3-я гармоніка 15 кГц:
В іншому виділяється сигнал з частотою 15 кГц:
На виході канальних фільтрів отримаємо "прифазні" сигнали частотою 5кГц та 15кГц:
Після синхронного детектування протифазні сигнали "Х" та "У" каналів 5кГц та 15 кГц сумуються попарно (на схемі режим NORMAL):
з формуванням каналів "Х" та "У" для подальшого опрацювання.
Fisher CZ-5 / Fisher CZ-6
- radioman
- Site Admin
- Повідомлень: 136
- З нами з: 28 вересня 2020, 12:01
- Звідки: Тернопіль
- Дякував (ла): 8 разів
- Подякували: 6 разів
- Контактна інформація:
Re: Fisher CZ-5 / Fisher CZ-6
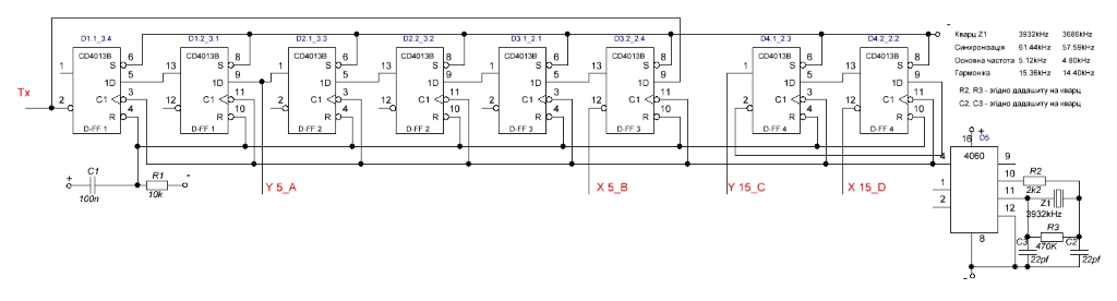
В схемі синхронізації використано тригери CD40175, але зараз знайти їх дуже важко; тому переробив схему з використанням CD4013. У моделі в LTspice XVII такий варіант не працював; прийшлось змінити підключення резистора і конденсатора до "шини" R (схема "скидання" при включенні).
Такі самі проблеми виникають і з кварцевим резонатором на 60 кГц; тому задаючий генератор реалізував на HEF4060 з використанням кварцевого резонатора на 3932 кГц (основна частота 5.12 кГц) або 3686 кГц (основна частота 4.80 кГц).
Наступна схема працює коректно як в моделі, так і у "залізі": і формує синхроімпульси для синхронних детекторів каналів 5кГц: та 15 кГц: Вся схема (разом з модернізованим вихідним каскадом "міст") розмістилась на двосторонній платі 100 на 20 мм. (можна зробити і односторонню з "перемичками"):
Такі самі проблеми виникають і з кварцевим резонатором на 60 кГц; тому задаючий генератор реалізував на HEF4060 з використанням кварцевого резонатора на 3932 кГц (основна частота 5.12 кГц) або 3686 кГц (основна частота 4.80 кГц).
Наступна схема працює коректно як в моделі, так і у "залізі": і формує синхроімпульси для синхронних детекторів каналів 5кГц: та 15 кГц: Вся схема (разом з модернізованим вихідним каскадом "міст") розмістилась на двосторонній платі 100 на 20 мм. (можна зробити і односторонню з "перемичками"):
Хто зараз онлайн
Зараз переглядають цей форум: Немає зареєстрованих користувачів і 0 гостей